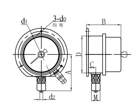
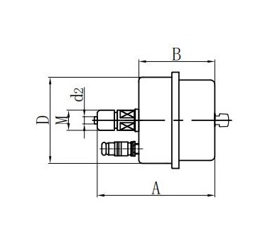
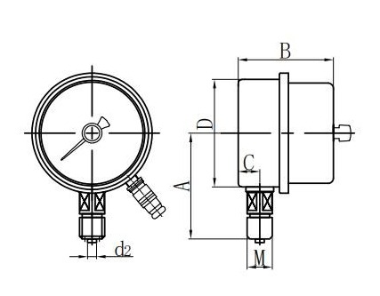
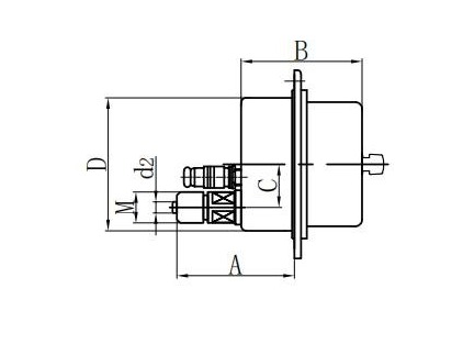
◆ Múnla: An YXC60 YX100 YXC-150
◆ Iarratas: Tá an cineál seo ionstraime oiriúnach chun brú leachtanna, gáis nó gaile a thomhas gan guais pléasctha, gan aon chriostalú, gan aon éifeacht, agus gan aon éifeacht creimneach ar chóimhiotail chopair agus chopair. Nuair a bhíonn ciorcad oiriúnach air, is féidir leis aláram nó rialú uathoibríoch a sheoladh chuig an gcóras brú atá le tomhas agus le rialú.
◆ Má tá sé riachtanach tomhsaire brú de chineál suaite a dhéanamh, is féidir é a líonadh le glycerin nó ola silicone. $ $


















