◆ Múnla: y¨-ml y¨-mf y¨-mg y¨-mz y¨-mk y¨-mn y¨-ms
◆ Iarratas: Mar gheall ar an struchtúr tomhais indíreach, tá an tomhsaire brú scairteach oiriúnach chun brú leachtanna, gáis nó solaid shreafa gráinneach a thomhas le slaodacht ard, éasca le criostalú, creimeadh láidir agus ardteocht. Tá ábhair éagsúla ag an scairt leithlise le dul in oiriúint do na meáin éagsúla creimneacha éagsúla.
Úsáidtear na hionstraimí seo go príomha i snáithín ceimiceach, snáithín sintéiseach, peitriliam, ruaimniú, alcaile, aigéad, bia, leigheas, tógáil, mianadóireacht, bruithniú agus tionscail eile.
Is féidir ceann tomhsaire den chineál seo ionstraime a úsáid i sraith de shraith: tomhsaire brú ginearálta, tomhsaire brú-fhrithsheasmhach, éagsúlacht de thomhas brú teagmhála leictreach, éagsúlacht de thomhas brú teagmhála leictreach atá frithsheasmhach in aghaidh turraing, tarchuradóir brú, tomhsaire brú cianda, tomhas brú digiteach, rialaitheoir brú agus mar sin.
Prionsabal Struchtúr: Prionsabal:
Is tomhas indíreach é an ionstraim seo. Leithlisiú dífhoirmithe scairt faoi bhrú an mheáin tomhaiste, cuirtear brú ar an leacht ina saothraítear rónta, agus déantar an brú a tharchur chuig an mbrú.
Cuirtear brú ar an leacht ina saothraítear ina shéalú, agus déantar an brú chuig an ionstraim braite, a thaispeánann luach an bhrú mheánmhéide tomhaiste. $ $
◆ Paraiméadair theicniúla Ity
| Múnla Ceann Méadair | Cineálacha éagsúla ionstraimí brú, tarchuradóirí brú, rialaitheoirí brú, etc. | |||
| Aicme cruinnis | 1.6 ; 2.5 | |||
| Aicme cruinnis ( MPA ) | 0 ~ 0.1 0 ~ 0.16 0 ~ 0.25 0 ~ 0.4 0 ~ 0.6 0 ~ 1 0 ~ 1.6 0 ~ 2.5 0 ~ 4 0 ~ 6 0 ~ 10 0 ~ 16 0 ~ 25 0 ~ 40 | |||
| Ábhar scairt | leasainmneacha | Ábhar | leasainmneacha | Ábhar |
| 1 | 0cr18ni12mo2 | 5 | Hastelloy C (H276C) | |
| 2 | SUS304 | 6 | Alloy Monel (Cu30NI70) | |
| 3 | SUS316 | 7 | Tantalum (TA) | |
| 4 | SUS316L | 8 | Fluairoplastic (PTFE) | |
| Ábhar Isolator | 1CR18NI9; 304; 316; 316L; F4; PVC, etc. | |||
| Ábhar gasket a shéalú | NBR; Rubber Silicone Leighis; PTFE; Graifít; Fluoroelastomer; srl. | |||
| Sreabhán seolta a líonadh | Ola silicone meitile, ola glasraí, glycerin, ola fluairínithe, etc. | |||
| éifeacht teochta | Toisc go bhfuil baint ag leathnú teirmeach an tsreabh seoltaí agus déine an scairt leis an teocht, is é an luach earráide ná 0.1%/° C nuair a chlaonann an teocht oibriúcháin ó 20 ± 5 ° C. | |||
| cosaint creimthe | Cuimsíonn an fheidhmíocht seo tréithe creimthe an chomhshaoil agus an meán tomhais, agus is féidir ábhar an aonolaitheora, an bhileog scairt agus an washer ina saothraítear rónta a roghnú de réir na gcoinníollacha úsáide. | |||
| difríocht ar an leibhéal | Tomhsaire brú diaphragm ceangailte le píobán sa tsuiteáil má tá an pointe tomhais agus an tomhsaire brú ag airde difriúla, beidh tionchar ag a dhifríocht ar leibhéal leachtach ag an difríocht brú △ p ar luach tomhaiste na hionstraime, is é an fhoirmle: △ p = Difríocht shonrach an leachta séalaithe × difríocht leibhéal leachtach. | |||
| Caighdeáin Forfheidhmithe | JB/T 8624 | |||
| Nóta: 1, is féidir an snáithe cónascaire a oiriúnú de réir riachtanais úsáideoirí; 2 、 Is féidir flange a nascadh a shaincheapadh de réir caighdeán flange riachtanais na n -úsáideoirí. $ $ | ||||
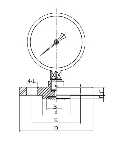
◆ Cineál aonolatóra méid agus scéimreach suiteála:
| (Ml) comhéadan snáithithe | (MF) Flange aghaidh oscailte $ $ |
























