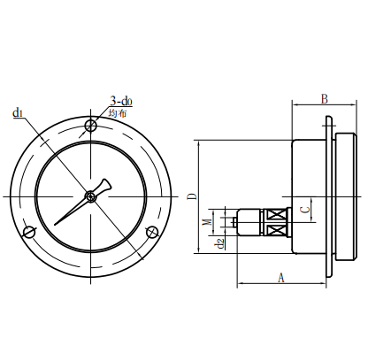
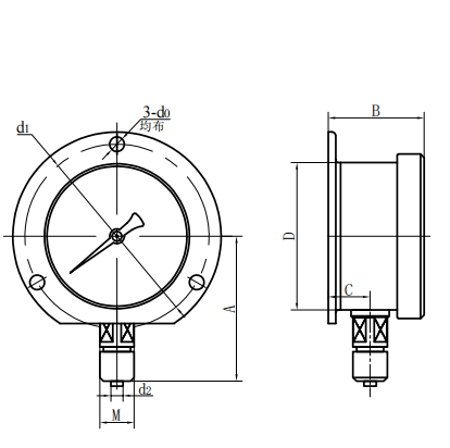
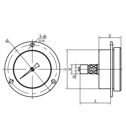
◆ Múnla: YN40 YN50 YN60 YN75 YN100 YN150
◆ Úsáid: Tá friotaíocht turraing mhaith ag an tsraith seo d'ionstraimí, go háirithe oiriúnach do áiteanna a bhfuil creathadh láidir innealra comhshaoil acu, agus is féidir léi bíog fhoréigneach, turraing agus díluchtú tobann brú meánach a sheasamh. Tá sé oiriúnach chun brú leacht, gáis nó gaile a thomhas nach bhfuil aon bhaol pléasctha aige, nach ndéanann sé criostalú, nach n -éiríonn leis, agus nach bhfuil aon éifeacht creimneach aige ar chóimhiotal copair agus copair. Léiríonn an ionstraim léamha cobhsaí agus soiléire. Úsáidtear é go forleathan i innealra trom, mianadóireacht, peitriliam, tionscal ceimiceach, miotalóireacht, cumhacht leictreach agus ranna eile.
◆ I bhfeidhm phraiticiúil, de réir saintréithe speisialta na meán éagsúil (mar shampla toirmeasc ola, tinedhíonach, frithsheasmhacht in aghaidh creimthe, etc.), tá riachtanais na hionstraime difriúil, mar sin faigheann an tsraith ionstraimí seo go leor ionstraimí speisialta comhfhreagracha, a dtrastomhas ainmniúil, cineál suiteála, snáithe cónascaire, leibhéal cruinnis, tá dhá chatagóir, srl.
2.1 Oiriúnach chun brú na meán inadhainte agus pléascach a thomhas. Tá sé toirmiscthe go docht teagmháil a dhéanamh le substaintí inlasta gréisceacha. Déantar cóireáil degreasing sula bhfágann sé an mhonarcha agus déantar tástáil air le bheith saor ó ramhar.
2.1.1 Sraith Yon Sraith-Resistant (Seismeach) Tomhsaire Brú Ocsaigine
2.1.2 Sraith YHN Sraith-Resistant (Seismeach) Tomhsaire Brú Hidrigine
2.1.3 Sraith Yyn de thomhas brú aicéitiléine atá frithsheasmhach in aghaidh turraing (turraing)
2.2 Tá na hábhair a úsáidtear frithsheasmhach in aghaidh creimeadh an mheáin nó níl aon éifeacht ag an ionstraim ar an meán, agus chun a chinntiú go bhfuil na heilimintí agus na comhéadain braite glan agus saor ó ramhar.
2.2.1 Sraith Yan de thomhas brú amóinia atá frithsheasmhach in aghaidh turraing (turraing)
2.2.2 Sraith YDQN de thomhas brú nítrigine atá frithsheasmhach in aghaidh turraing (turraing)
Tomhsaire brú turraing-cruthúnas ar shraith YN
Múnla: 40mm (1.5 "), 50mm (2"), 60mm (2.5 "), 100mm (4"), 150mm (6 ")
Réamhrá:
Tá friotaíocht turraing den scoth, tásc seasmhach, léamha soiléire ag an tsraith ionstraimí, agus tá siad an -oiriúnach le húsáid in áiteanna le creathadh meicniúil dian. Is féidir leo freisin pulsations draíochta, tionchair, agus laghduithe ualaigh tobann ar an meicníocht ionsúite turraing agus dearadh líonta leachta (glycerin agus ola silicone de ghnáth) a sheasamh, cuireann sé ar chumas an bhrú-bhrú seo tomhas brú iontaofa agus beacht a chinntiú fiú faoi choinníollacha casta agus dochracha. Mar gheall ar a leaisteachas agus a chruinneas, úsáidtear go forleathan é i dtionscail éagsúla. $ $



















































































































