◆ Múnla: YLM60 YLM100 YLM150
◆ Iarratas: Is ionstraimí speisialta iad an tsraith seo d'ionstraimí chun teocht íseal nó meán cuisneáin speisialta a bhrath, a úsáidtear go príomha i gcuisneoir aerchóirithe, i bhfilléir uisce, i dtriomadóir aeir nó i gcóras grúpa méadair cuisneáin a chur le chéile.
Féadann sé painéil il-lipéadaithe cuisneáin éagsúla a dhéanamh de réir riachtanais na gcustaiméirí, agus tá go leor cineálacha caipíní agus cásanna (stíl na hEilvéise) ann do chustaiméirí a roghnú.
Mar gheall ar an dearadh cónascaire optamaithe agus na cúinsí speisialta maidir le hábhair táthúcháin agus comhpháirteanna braite brú a roghnú, tá tréithe den scoth ag an tsraith seo de tháirgí de fhrith-sceitimíní, cuisle frithbhrú agus frith-chreathadh, mar sin tá feabhas mór ar cháilíocht na hionstraime, agus tá mífheidhmiú agus caillteanas an chórais cuisniúcháin mar gheall ar fhadhbanna cáilíochta táirge mar gheall ar dhíothú.
◆ Paraiméadair theicniúla Ity
| Uimhir shamhail | Ylm60 | YLM100 | YLM150 | |
| Trastomhas ainmniúil | Φ 60 | Φ 100 | Φ 150 | |
| Cineál gléasta | Ⅰ | - | - | - |
| Ⅱ | - | - | - | |
| Ⅲ | - | / | / | |
| Ⅳ | - | - | - | |
| Ⅴ | - | / | / | |
| Ⅵ | - | - | - | |
| Snáithe cónascaire | M14 × 1.5 | M20 × 1.5 | ||
| Aicme cruinnis | 2.5 | 1.6 | ||
| Raon tomhais ( MPA ) | Voltas Íseal: (- 30 - 0 …… 15 ) kg In once 1.8MPA leatromach: ( 0 - 35 ) kg In once 3.8MPA | |||
| Sonraíocht ar Chineál na Meán | R134A 、 R22a 、 R404A 、 R407A | |||
| Coinníollacha úsáide comhshaoil | Temp : -20 ℃~ 60 ℃; Taiseachas coibhneasta : ≤ 80 % | |||
| rátáil creathaidh | V · H · 3 | |||
| aicme chosantach | IP54 | |||
| Caighdeáin Forfheidhmithe | GB/T 1226 | |||
| Nóta: Is féidir comhthréithe a oiriúnú de réir riachtanais úsáideora. $ $ | ||||
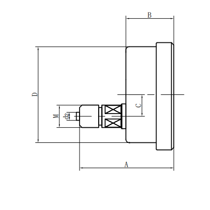
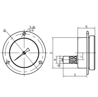
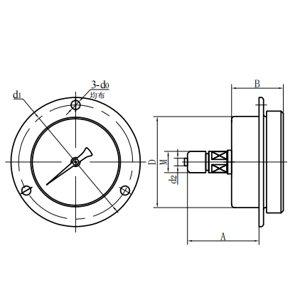
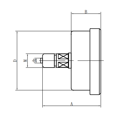
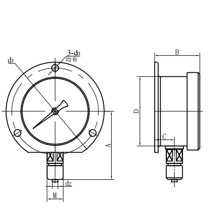
◆ Toisí seachtracha:
| Cineál díreach gathacha (ⅰ) | Cineál díreach eccentric aiseach (ⅱ) |
| Cineál díreach comhlárnach aiseach (III) | Cineál INSERT ECCENTRIC AXIAL (IV) |
| Cineál Ionsáite Aiseach Teamnaire (V) | Cineál dronnach gathacha (vi) $ $ |
| Uimhir shamhail | Toisí foriomlána ( mm ) | |||||||
| A | B | C | D | D0 | D1 | D2 | M | |
| Ylm60 -Ⅰ | 56 | 33 | 11 | Φ 60 | / | / | Φ 5 | M14 × $ $ 1.5 |
| Ylm60 -Ⅱ | 61 | 32.5 | 18 | Φ 60 | / | / | | |
| Ylm60 -Ⅲ | 61 | 32.5 | / | Φ 60 | / | / | Φ 5 | M14 × 1.5 |
| Ylm60 -Ⅳ | 55 | 32.5 | 18 | Φ 60 | Φ 5 | Φ 75 | | |
| Ylm60 -Ⅴ | 55 | 32.5 | / | Φ 60 | Φ 5 | Φ 75 | Φ 5 | M14 × 1.5 |
| Ylm60 -Ⅵ | 56 | 33 | 11 | Φ 60 | Φ 5 | Φ 75 | Φ 5 | M14 × 1.5 |
| YLM100 -Ⅰ | 90 | 48 | 15 | Φ 100 | / | / | Φ 6 | M20 × 1.5 |
| YLM100 -Ⅱ | 83 | 44 | 34 | Φ 100 | / | / | Φ 6 | M20 × 1.5 |
| YLM100 -Ⅳ | 68 | 44 | 34 | Φ 100 | Φ 6 | Φ 118 | Φ 6 | M20 × 1.5 |
| YLM100 -Ⅵ | 90 | 48 | 15 | Φ 100 | Φ 6 | Φ 118 | Φ 6 | M20 × 1.5 |
| YLM150 -Ⅰ | 117 | 51 | 16.5 | Φ 150 | / | / | Φ 6 | M20 × 1.5 |
| YLM150 -Ⅱ | 92 | 52 | 55 | Φ 150 | / | / | Φ 6 | M20 × 1.5 |
| YLM150 -Ⅳ | 69 | 52 | 55 | Φ 150 | Φ 6 | Φ 165 | Φ 6 | M20 × 1.5 |
| YLM150 -Ⅵ | 117 | 53 | 28 | Φ 150 | Φ 6 | Φ 165 | Φ 6 | M20 × 1.5 |


















