◆ Múnla: YJY100 YJY150
◆ Úsáid: Tagraíonn brú absalóideach don bhrú atá níos airde ná an brú absalóideach nialas le brú iomlán nialas (folús iomlán) mar an tagairt. Is féidir an luach brú iomlán a chur in iúl leis an bhfoirmle seo a leanas:
Luach brú absalóideach = Folús (brú diúltach) Luach Brú Atmaisféarach
Úsáidtear tomhsaire brú absalóideach go príomha chun monatóireacht nó tomhas a dhéanamh ar an mbrú iomlán i roinnt trealamh i bhfolús (m.sh. innealra pacáistithe i bhfolús, trealamh chun monatóireacht a dhéanamh ar bhrú comhdhlúthaithe agus ar bhrú gaile leacht, etc.).
◆ Brú oibre: Úsáidtear ualach statach suas le 3/4 de luach uasteorainn an tomhais, úsáidtear ualach malartaithe suas le 2/3 de luach uasteorainn an tomhais, agus úsáidtear brú gearr-ama suas go dtí luach uasteorainn an tomhais.
◆ Paraiméadair theicniúla Ity
| uimhir shamhail | YJY100 | YJY150 | |
| Trastomhas ainmniúil | Φ 100 | Φ 150 | |
| Foirm suiteála | Ⅰ | - | - |
| Ⅱ | - | - | |
| Ⅳ | - | - | |
| Ⅵ | - | - | |
| Snáithe cónascaire | M20 × 1.5 | ||
| Aicme cruinnis | 0.4 ; 1.0 ; 1.6 ; 2.5 | ||
| Raon tomhais ( MPA ) | 0 ~ 0.1 0 ~ 0.16 0 ~ 0.25 0 ~ 0.4 0 ~ 0.6 0 ~ 1 0 ~ 1.6 0 ~ 2.5 0 ~ 4 0 ~ 6 0 ~ 10 | ||
| Coinníollacha úsáide comhshaoil | Temp : -40 ℃~ 70 ℃ (Aicme Cruinneas 0.4 ) -50 ℃~ 160 ℃ (Aicme Cruinneas 1.0 - 2.5 ) taiseachas coibhneasta ≦ ≦ 80 % | ||
| rátáil creathaidh | V · H · 2 ; V · H · 3 | ||
| aicme chosantach | IP65 | ||
| Caighdeáin Forfheidhmithe | | ||
| Nóta: Is féidir comhthréithe a oiriúnú de réir riachtanais úsáideora. $ $ | |||
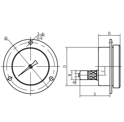
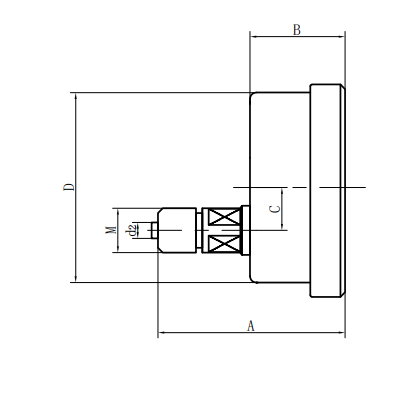
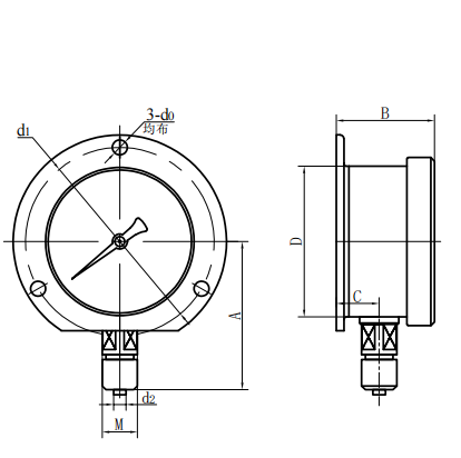
◆ Toisí seachtracha:
|
Cineál díreach gathacha (ⅰ) | Cineál díreach eccentric aiseach (ⅱ) |
| Cineál díreach comhlárnach aiseach (III) | Cineál INSERT ECCENTIC AISCE (IV) $ $ |
| uimhir shamhail | Toisí foriomlána ( mm ) | |||||||
| A | B | C | D | D0 | D1 | D2 | M | |
| YJY100 -Ⅰ | 90 | 48 | 15 | Φ 100 | / | / | Φ 6 | M20 × $ $ 1.5 |
| YJY100 -Ⅱ | 83 | 44 | 34 | Φ 100 | / | / | Φ 6 | M20 × 1.5 |
| YJY100 -Ⅳ | 68 | 44 | 34 | Φ 100 | Φ 6 | Φ 118 | Φ 6 | M20 × 1.5 |
| YJY100 -Ⅵ | 90 | 48 | 15 | Φ 100 | Φ 6 | Φ 118 | Φ 6 | M20 × 1.5 |
| YJY150 -Ⅰ | 117 | 51 | 16.5 | Φ 150 | / | / | Φ 6 | M20 × 1.5 |
| YJY150 -Ⅱ | 92 | 52 | 55 | Φ 150 | / | / | Φ 6 | M20 × 1.5 |
| YJY150 -Ⅳ | 69 | 52 | 55 | Φ 150 | Φ 6 | Φ 165 | Φ 6 | M20 × 1.5 |
| YJY150 -Ⅵ | 117 | 53 | 28 | Φ 150 | Φ 6 | Φ 165 | Φ 6 | M20 × 1.5 |
























