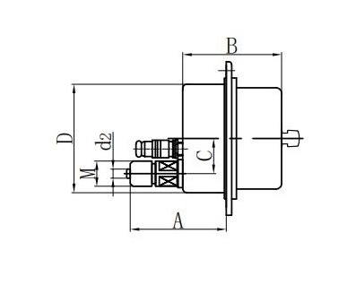
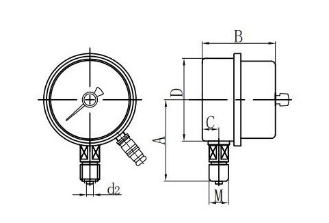
◆ Múnla: YXCM100 YXCM150
◆ Úsáidí: Is rogha idéalach é an cineál seo ionstraime ar an tomhsaire brú teagmhála leictreach a fhaigheann cúnamh maighnéadach, coinníonn sé na buntáistí a bhaineann leis an tomhas brú teagmhála leictreach traidisiúnta le comhartha iomasach agus coigeartú simplí, agus déanann sé feabhsuithe bunúsacha ar an taobh istigh den ionstraim, ag baint úsáide as ciorcad comhtháite ionduchtaithe maighnéadaigh, gan aon chomhartha meicniúil, gan aon chomhartha meicniúil, gan aon chomharthaíocht a bhaint amach, gan aon chomharthaíocht a dhéanamh. Is féidir é a idirnascadh go héasca le CC Boird, optocouplers, rialtóirí cláir agus ciorcaid leictreonacha eile, agus is féidir leo rásanna sealaíochta nó teagmhálaithe cumhachta beaga a thiomáint go díreach.
◆ Má tá sé riachtanach tomhsaire brú de chineál suaite a dhéanamh, is féidir é a líonadh le glycerin nó ola silicone. $ $


















