◆ Múnla: YQ40 YQ50 YQ60 YQ75 YQ100 YQ150
◆ Úsáid: Déantar an tsraith seo de thomhsairí as cruach dhosmálta, le poill dheighilte sábháilteachta inmheánacha agus poill faoisimh brú ag an mbarr chun brú iomarcach a scaoileadh taobh istigh den chás mar gheall ar réabadh de bharr ró-ualach nó tuirse eilimintí leaisteach Suíomh. Tá tomhasairí sábháilteachta líonta leachtacha frithsheasmhach in aghaidh an chreathaidh, rud a chuireann cosc ar dhamáiste don taobh istigh den tomhsaire mar gheall ar chreathadh, agus ag bealaithe na gcomhpháirteanna inmheánacha chun caitheamh agus creimeadh a íoslaghdú.
Úsáidtear na tomhasairí seo go forleathan i ndruileáil, scagadh, ceimiceán, bia, ardáin chógaisíochta, mara, ardáin ola amach ón gcósta agus tionscail eile. $ $
| uimhir shamhail | YQ60 | YQ100 | YQ150 | |
| Trastomhas ainmniúil | Φ 60 | Φ 100 | Φ 150 | |
| Foirm suiteála | Ⅰ | - | - | - |
| Ⅱ | - | - | - | |
| Ⅲ | - | / | / | |
| Ⅳ | - | - | - | |
| Ⅴ | - | / | / | |
| Ⅵ | - | - | - | |
| Snáithe cónascaire | M14 × 1.5 | M20 × 1.5 | ||
| Aicme cruinnis | 2.5 | 1.6 | ||
| Raon tomhais ( MPA ) | Folamh : -0.1 ~ 0 Folús brú -0.1 ~ 0.06 -0.1 ~ 0.15 -0.1 ~ 0.3 -0.1 ~ 0.5 -0.1 ~ 0.9 -0.1 ~ 1.5 -0.1 ~ 2.4 Brú : 0 ~ 0.1 0 ~ 0.16 0 ~ 0.25 0 ~ 0.4 0 ~ 0.6 0 ~ 1 0 ~ 1.6 0 ~ 2.5 0 ~ 4 0 ~ 6 0 ~ 10 0 ~ 16 0 ~ 25 0 ~ 40 0 ~ 60 0 ~ 100 0 ~ 160 0 ~ 250 | |||
| Coinníollacha úsáide comhshaoil | Temp : -40 ℃~ 70 ℃ | |||
| rátáil creathaidh | V · H · 3 | |||
| Ábhar feadán Borden | OCR18NI12MO2TI ; SUS316 ; SUS316L | |||
| Ábhar cáis agus cónascaire | 1cr18ni9ti ; SUS304 | |||
| aicme chosantach | IP65 | |||
| Caighdeáin Forfheidhmithe | GB/T1226 | |||
| Nóta: Is féidir comhthréithe a oiriúnú de réir riachtanais úsáideora. $ $ | ||||
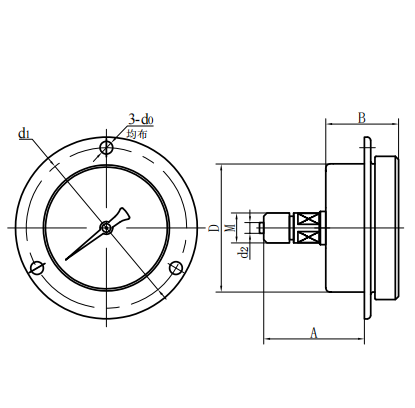
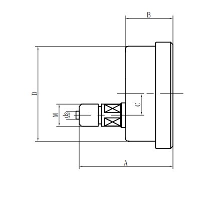
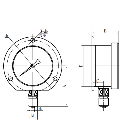
◆ Toisí seachtracha:
| Cineál Díreach Gathach (ⅰ) | Cineál díreach eccentric aiseach (ⅱ) |
| Cineál díreach comhlárnach aiseach (III) | Cineál INSERT ECCENTRIC AXIAL (IV) |
| Cineál Ionsáite Aiseach Teamnaire (V) | Cineál dronnach gathacha (vi) $ $ |
| uimhir shamhail | Toisí foriomlána ( mm ) | |||||||
| A | B | C | D | D0 | D1 | D2 | M | |
| Yq60- Ⅰ | 56 | 33 | 11 | Φ 60 | / | / | Φ 5 | M14 × $ $ 1.5 |
| Yq60- Ⅱ | 61 | 32.5 | 18 | Φ 60 | / | / | Φ 5 | |
| Yq60- Ⅲ | 61 | 32.5 | / | Φ 60 | / | / | Φ 5 | M14 × 1.5 |
| Yq60- Ⅳ | 55 | 32.5 | 18 | Φ 60 | Φ 5 | Φ 75 | Φ 5 | |
| Yq60- Ⅴ | 55 | 32.5 | / | Φ 60 | Φ 5 | Φ 75 | Φ 5 | M14 × 1.5 |
| Yq60- Ⅵ | 56 | 33 | 11 | Φ 60 | Φ 5 | Φ 75 | Φ 5 | M14 × 1.5 |
| Yq100- Ⅰ | 90 | 48 | 15 | Φ 100 | / | / | Φ 6 | M20 × 1.5 |
| Yq100- Ⅱ | 83 | 44 | 34 | Φ 100 | / | / | Φ 6 | M20 × 1.5 |
| Yq100- Ⅳ | 68 | 44 | 34 | Φ 100 | Φ 6 | Φ 118 | Φ 6 | M20 × 1.5 |
| Yq100- Ⅵ | 90 | 48 | 15 | Φ 100 | Φ 6 | Φ 118 | Φ 6 | M20 × 1.5 |
| Yq150- Ⅰ | 117 | 51 | 16.5 | Φ 150 | / | / | Φ 6 | M20 × 1.5 |
| Yq150- Ⅱ | 92 | 52 | 55 | Φ 150 | / | / | Φ 6 | M20 × 1.5 |
| Yq150- Ⅳ | 69 | 52 | 55 | Φ 150 | Φ 6 | Φ 165 | Φ 6 | M20 × 1.5 |
| Yq150- Ⅵ | 117 | 53 | 28 | Φ 150 | Φ 6 | Φ 165 | Φ 6 | M20 × 1.5 |


















