◆ Múnla: Yzs102
◆ Múnla: Yzs102
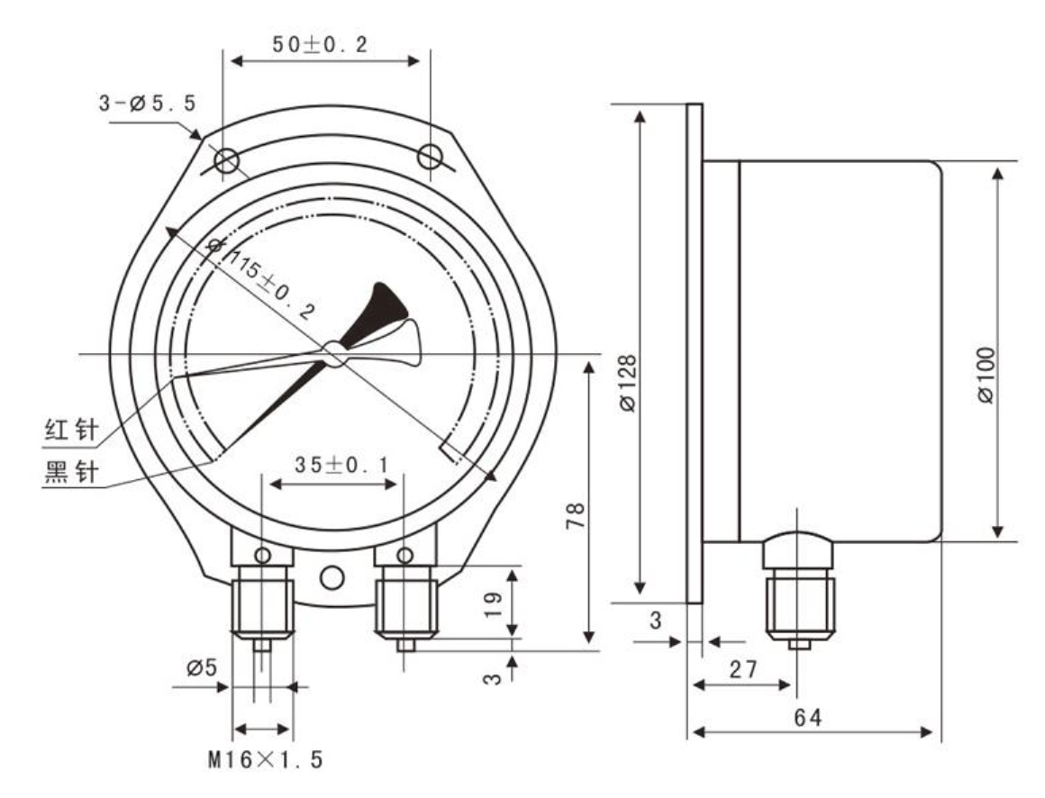
◆ Paraiméadair theicniúla:
| Múnla | Yzs102 |
| Trastomhas ainmniúil | Φ 100 |
| Snáitheanna feistithe | M20 × 1.5 ; G3/8 |
| Aicme cruinnis | 1.6 |
| Raon tomhais ( KPA ) | 0 ~ 1000 0 ~ 1200 0 ~ 1600 0 ~ 2500 |
| Coinníollacha úsáide comhshaoil | Teocht: -5 ° C ~ 60 ° C Taiseachas coibhneasta: Gan níos mó ná 80%. |
| Éifeachtaí teochta | (diall ó 20 ° C ± 5 ° C agus é ag úsáid) nach bhfuil níos mó ná 0.4%/10 ° C |
| ualach | 0.7kg |
| Rátáil Friotaíochta Creathaidh | V · H · 3 |
| Cosaint dul isteach | IP54 |
| An caighdeán a fhorfheidhmiú | GB/T1226 |
| Tabhair faoi deara: 1 . Is féidir an comh -snáithe a oiriúnú de réir riachtanais úsáideoirí. $ $ | |
◆ Toisí seachtracha: $ $
Wuxi Huihua Ionstraimíocht Speisialta, Ltd. was established in December 2001, the registered capital is 5 million yuan, the existing staff of more than 50 small and medium-sized joint-stock enterprises.
Déanann an chuideachta speisialtóireacht i dtáirgeadh cineálacha éagsúla ionstraimí speisialta, rogha eile seachas logánú ionstraimí allmhairithe. Le tomhsaire brú seismeach, tomhsaire brú teagmhála leictreach seismeach, tomhsaire brú cruach dhosmálta, tomhsaire brú-fhrithsheasmhach creimthe diaphragm, tomhsaire brú mara agus sraith eile mar na príomhtháirgí. Ar bhonn ionstraimí allamuigh, tá cineálacha éagsúla tarchuradóirí brú, rialaitheoirí brú, tomhasairí brú digiteach agus mar sin de, forbartha againn. Tá níos mó ná 30 sraith agus 3000 sonraíocht ann. Úsáidtear táirgí soláthair go forleathan i peitriliam, ceimiceán, páipéar, miotalóireacht, mianadóireacht, snáithín ceimiceach, cumhacht leictreach, bia, cosaint comhshaoil, rubar agus plaisteach, hiodrálaic agus go leor tionscail eile, agus níos mó ná 2,000 custaiméir intíre chun caidreamh cairdiúil a bhunú leis na fiontair mhóra agus mheánmhéide náisiúnta chun dea-chomhpháirtíocht a bhunú, bhuaigh an chuid is mó de na húsáideoirí, agus bunú branda.
Toisc Sraith YZS Tomhsairí brú feadán dúbailte snáthaide dúbailte Manufacturers, Tá próisis rialaithe cáilíochta dochta i bhfeidhm ar fud an chórais déantúsaíochta chun a chinntiú go dtáirgtear caighdeán comhsheasmhach.
Tá tomhasairí brú i measc na n-ionstraimí is bunúsaí in aon timpeallacht tionscail, meicniúil nó próisis. Soláthraíonn siad tomhas fíor-ama ar bhrú sreabhach nó gáis, rud a chuireann ar chumas oibreoirí monatóireacht ......
Léigh TuilleadhBunúsacha Tomhsaire Brú a Thuiscint tomhasairí brú is ionstraimí riachtanacha iad a úsáidtear ar fud líon mór tionscal chun brú gáis nó leachtanna laistigh de chóras a thomhas agus a thaispeáint. Feidhmíonn n......
Léigh TuilleadhSeasann tarchuradóirí brú difreálach mar ionstraimí riachtanacha i gcórais rialaithe, tomhais agus monatóireachta próisis tionscail nua-aimseartha. Tomhaiseann na gléasanna seo an difríocht brú idir dhá phointe i gcór......
Léigh Tuilleadh