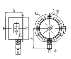
◆ Múnla: YTX100B YTX150B
◆ ÚsáiDí: Úsáidtear an tsraith ionstraimí seo go speisialta i dtimpeallacht máguaird na meán indóite agus an meascán pléascach baol áiteanna, is féidir le brú leachtanna agus gáis a thomhas, leis na gléasanna leictreacha comhfhreagracha, aláram nó rialú uathoibríoch agus feidhmeanna eile a bhaint amach.
Glacann an ionstraim le teagmháil leictreach mhaighnéadach, a bhfuil tréithe fórsa súchán mór agus teagmháil iontaofa aige.
Comhlíonann an ionstraim seo na riachtanais i GB 3836.1-2010 "Atmaisféir Phléascacha - Cuid 1 : Riachtanais ghinearálta maidir le trealamh "agus GB3836.2-2010 "Atmaisféir Phléascacha - Cuid 2 : Trealamh atá cosanta ag iatáin flameproof " d ".
















